Web sitemizi doğru görüntülemek için tarayıcınızın javascript desteğini etkinleştirmeniz gerekmektedir.
Kurumsal
Ürünler
Kompozit Paneller
Saray Alüminyum Komp. Panel
Asaş Alüminyum Komp. Panel
Alpolic (Mitsubishi) Komp. Panel
Sistem Alüminyum Komp. Panel
Sistem Metal Kompozit Panel
Renk Kartelası
Ahşap Desen Kartelası
Eloksal Desen Kartelası
Aksesuarlar
Kale Kilit
Meridyen Vida
Selectron Vida
Roto
G-U
Siegenia Aubi
Giesse
Dorma
Asaş Fitiller
Alüminyum Profiller
Çuhadaroğlu Alüminyum
Saray Alüminyum
Asaş Alüminyum
Sistem Alüminyum
Silikon - Mastik
Soudal
Aksesuarlar
Küpeşte Aksesuarları
Alüminyum Çekme Kapı Kolları
Paslanmaz Çekme Kapı Kolları
Pleksi Çekme Kapı Kolları
Kapı Kolları
Pencere Kolları
Sürme Kolları
Kapı ve Pencere Karşılıkları
Menteşeler
Vasistas Aksesuarları
Sürgüler
Rulmanlar
Ankreajlar
Cam Kapı Aksesuarları
Diğer Aksesuarlar
Bayilikler
Çuhadaroğlu Alüminyum
Asaş Alüminyum
Saray Alüminyum
Blog
İletişim
/
Cam Kapı Aksesuarları
501 - Yer Hidroliği
Teknik Çizim
502 - Üst Düz Menteşe
Teknik Çizim
503 - Üst Menteşe
Teknik Çizim
504 - Alt Menteşe
Teknik Çizim
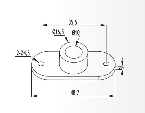
505 - Metal Kol
Teknik Çizim
506 - Köşe Kilidi Sil. Karş.
Teknik Çizim
507 - Üst T Menteşe
Teknik Çizim
508 - Küçük Menteşe
Teknik Çizim
509 - Üst Menteşe Karş.
Teknik Çizim
510 - Cam Kapı Kilidi Fiam
Teknik Çizim
511 - Cam Kapı Kilidi Asma
Teknik Çizim
512 - Cam Kapı Kilidi Milli
Teknik Çizim